Services
Structural Design (Steel & Concrete)
Structural design is the backbone of safe and efficient construction. It involves analyzing and designing buildings, bridges, and other structures to ensure they can withstand the forces and loads they encounter. Through advanced engineering principles and innovative solutions, structural design brings architectural visions to life—safely, sustainably, and cost-effectively. With a wealth of hands-on experience, we deliver reliable and efficient structural solutions tailored to every project’s unique demands.
Tekla Modelling & Detailing
Tekla Structures is a powerful BIM (Building Information Modeling) software that enables precise 3D modeling and detailing for structural steel and concrete components. Our team leverages Tekla to create highly accurate, data-rich models that streamline fabrication, coordination, and on-site construction. With extensive experience in Tekla modeling and detailing, we ensure every element is meticulously planned, clash-free, and ready for execution—minimizing errors and maximizing efficiency.
RCC Building Design
In addition to providing high-quality detailing, we actively take on rebar detailing jobs across residential, commercial, and infrastructure projects. Whether it's a small-scale foundation or a large multi-story structure, our team is equipped to handle projects of any size with speed, accuracy, and professionalism.
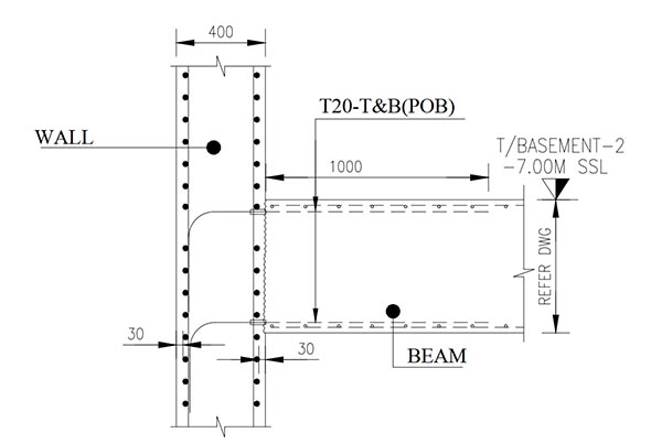
Rebar Detailing
Rebar detailing is a crucial step in reinforced concrete construction, providing the exact specifications for placing, bending, and cutting reinforcing steel bars. It ensures the structure meets design standards, safety codes, and performance requirements. We specialize in delivering precise and comprehensive rebar detailing services, backed by advanced tools and extensive field knowledge.
Codes & Standards
In engineering, adherence to established codes and standards is essential to ensure safety, quality, and compliance across all phases of a project. These guidelines define the minimum requirements for design, materials, construction, and performance—helping to prevent failures, ensure public safety, and maintain industry consistency.
We work with a wide range of international and regional codes and standards, including but not limited to:
- ACI (American Concrete Institute) – for concrete design and detailing
- AISC (American Institute of Steel Construction) – for structural steel design
- BS & Eurocodes – widely used in Europe and international projects
- IS Codes (Indian Standards) – for projects in and from India
- CSA (Canadian Standards Association) – for structural and material design in Canada
- GB Codes (Guobiao Standards, China) – for structural, seismic, and material design in China
- ASTM – for material specifications and testing standards
- AWS (American Welding Society) – for welding quality and practices
- ACI Detailing Manual & CRSI – for reinforced concrete detailing
Our team is well-versed in applying the appropriate standards based on project location and client requirements, ensuring technical excellence and regulatory compliance.


Industries Served
Energy
- Oil and gas facilities (onshore and offshore platforms)
- Renewable energy structures (wind turbine foundations, solar panel supports)
Industrial and Manufacturing
- Factories and warehouses
- Processing plants
- Cranes and hoisting structures
- Green Buildings
- Heavy equipment foundations
Construction and Building
- Residential buildings (homes, apartments)
- Commercial buildings (offices, malls, hotels)
- Institutional buildings (schools, hospitals, government buildings)
Infrastructure and Transportation
- Bridges and overpasses
- Airports
- Railway systems
- Ports and harbors
- Power plants
- Aircraft hangars
Entertainment and Sports
- Stadiums and arenas
- Theme park structures
- Amusement rides
Marine and Offshore
- Offshore platforms